
IBHsoftec PLC 통신모듈
IBH Link S7++
MPI / PROFIBUS / PPI - Ethernet CommDTM for FDT
Siemens(지멘스) PLC 이더넷 통신
자세한 견적 문의는
TEL : 1670-8257 내선) 441,442
H.P : 010-9831-8257, 010-3039-3013
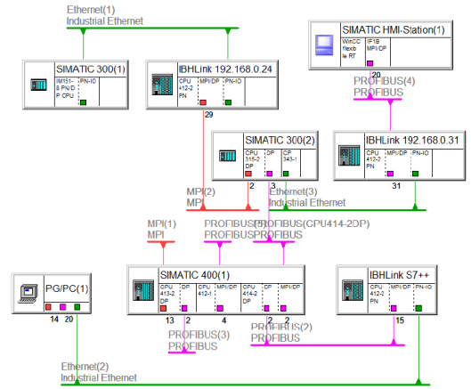
Siemens PLC가 이더넷을 통해 PC와 연결되어야 하는 경우 일반적인 방법은 CP/통신 프로세서를 사용하는 것입니다. IBHsoftec에는 보다 유연한 솔루션인 IBH Link S7++가 있습니다. 프로그래밍, 드라이브 구성, PC와 Siemens PLC 간의 통신, PLC 간 통신 및 FDT 애플리케이션을 위한 비용 효율적인 이더넷-PROFIBUS-게이트웨이입니다. IBH Link S7++를 허브나 스위치와 연결하거나 크로스오버 케이블을 통해 PC 네트워크 카드에 직접 연결할 수 있습니다. 사용 프로토콜은 표준 TCP/IP이므로 VPN이나 라우터를 사용하여 시스템을 제어할 수 있습니다. 물론 인터넷 연결을 사용할 수도 있습니다. IBH Link S7++를 사용하면 최대 12Mbit/s의 Profibus DP 또는 PPI/MPI를 통해 온라인 기능이 가능합니다. IBH Link S7++는 Siemens의 CP나 소프트웨어 Simatic Net이 필요하지 않기 때문에 비용을 줄여줍니다.
IBH Link S7++ features:
- 웹 브라우저를 통한 PROFIBUS 노드 진단
- 비주기적 서비스를 위한 마스터 클래스 2(DPV1)
- 웹 브라우저를 통한 구성
- NetPro를 통한 구성
- Windows 8 64비트 지원
- Windows 10 64비트 지원
- STEP7 64비트 지원
- 시간 동기화
- PROFIBUS 진단
- 슬레이브 진단
- 드라이브 구성
- DPV1을 통한 슬레이브 파라미터 설정
- 데이터 세트 라우팅
- TIA 포털 내 통합
- DHCP
- RFC1006을 통한 S7 라우팅
- RFC1006을 통한 가져오기/쓰기
- PLC - PLC 통신
- 다른 PLC, Windows, Linux와 프로세스 데이터 접근
- STARTER, S7-PCT, PDM, LifeList 지원
- TCI를 이용한 현장기기 설정 및 진단
- 패널 구성
- SINEC L2를 통해 SIMATIC S5에 온라인
- 동시에 최대 16개의 병렬 PC 연결
- 동시에 최대 32개의 병렬 MPI/DP 연결
- 자동 버스 프로파일 감지
- PG 커넥터
- 자동 협상 기능이 있는 RJ45
- 진단 LED
- MPI/DP 인터페이스에서 전원 공급
- 외부 24V 공급
SIMATIC MicroWin, STEP7, WinCC, ProTool 및 Windows®용 S7용 드라이버는 IBH Link S7++와 함께 CD로 제공됩니다. 또한 IBH OPC 서버를 사용하여 IBH Link S7++를 통해 시각화를 PLC와 연결할 수 있습니다. IBHNet 드라이버를 사용하면 Visual Basic 또는 Delphi와 같은 표준 프로그래밍 언어를 통해 직접 변수에 액세스할 수 있습니다. 어댑터 구성은 매우 쉽고 일반적으로 몇 분 안에 완료됩니다. IBH Link S7++는 10Mbit/s 또는 100Mbit/s 네트워크에 연결되었는지 여부를 자동으로 감지합니다. IBH Link S7++는 사용 가능한 경우 MPI/DP 인터페이스에서 전원을 공급받고, 그렇지 않으면 통합 24V 플러그를 통해 전원을 공급받습니다.
프로그래밍 기능 외에도 HMI 애플리케이션을 위한 애플리케이션 프로그래밍 인터페이스도 포함되어 있습니다.
Windows 운영 체제의 경우 Visual Basic, Visual C, Visual C++, VB.net, Visual C#, Delphi, Java, Excel이 포함된 샘플이 있습니다. Linux의 경우 샘플도 포함되어 있습니다. 설치 후 샘플은 다음에서 찾을 수 있습니다.
:\IBH softec GmbH\IBH_Net\Samples HMI 애플리케이션은 TCP(RFC1006)에서 ISO를 통해 연결할 수도 있습니다.
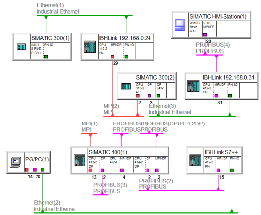
Typical application of the IBH Link S7++:

Advanced operation ranges of the IBH Link S7++:
PLC <-> PLC communication, projected with NetPro

자세한 견적 문의는
TEL : 1670-8257 내선) 441,442
H.P : 010-9831-8257, 010-3039-3013
해당 제품을 구매한 고객들이 추가적으로 구매한 제품 리스트

AC/DC Adapter

IBH Link UA

S5+S7 for Windows® Version 7

IBH USB-S5-Adapter

IBH Link S5++
'서비스파트너 > IBHsoftec' 카테고리의 다른 글
| IBHsoftec 통신 모듈 IBH Link IoT with TeamViewer (0) | 2022.01.13 |
|---|---|
| IBHsoftec PLC 통신모듈 IBH Link UA OPC-UA (0) | 2022.01.07 |
| IBHsoftec PLC 통신모듈 IBH Link UA Quad Core OPC-UA (0) | 2022.01.07 |
| IBHsoftec PLC 통신모듈 IBH Link S7++ HS 지멘스 PLC 이더넷 통신 (0) | 2022.01.07 |
| IBHsoftec PLC 통신모듈 IBH Link S5++ 지멘스 PLC 이더넷 컨버터 (0) | 2022.01.07 |